工程拨付款表格

 

CB33 工程进度付款申请单

(**[2016]进度付 号)

合同名称:***********点地表水灌溉项目第一标段 合同编号:

工程拨付款表格

说明:本申请书及附表一式 份,由承包人填写。经监理机构审核后,作为工程进度付款证书的

附件报送发包人批准。

CB33附表1 工程进度付款汇总表

(**[2016] 进度总 号)

合同名称:***********点地表水灌溉项目第一标段 合同编号:

工程拨付款表格

说明:本表一式 份,由承包人填写,作为CB33的附表。

CB33附表2 已完工程量汇总表

(**[2016]量总 01 号)

合同名称:***********点地表水灌溉项目第一标段 合同编号:

工程拨付款表格

工程拨付款表格

工程拨付款表格

工程拨付款表格

工程拨付款表格

说明:1.本表一式 份,由承包人依据已签认的工程计量报验单填写,监理机构审核后,作为

CB33的附表。

2.本表中的项目编码是指《水利工程工程量清单计价规范》(GB50501-2007)中的项目编码,项目编号是指合同工程量清单的项目编号。

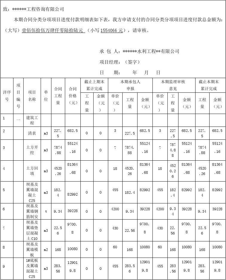
CB 33附表3 合同分类分项项目进度付款明细表

(**[2016]分类付 01 号)

合同名称:***********点地表水灌溉项目第一标段 合同编号:

工程拨付款表格

工程拨付款表格

工程拨付款表格

工程拨付款表格

工程拨付款表格

工程拨付款表格

说明:1.本表一式 份,由承包人填写,作为CB33的附表。

2.本表中的项目编号是指合同工程量清单的项目编号。

CB33附表4 合同措施项目进度付款明细表明细表

(**[2016] 措施付 号)

合同名称:***********点地表水灌溉项目第一标段合同编号:

工程拨付款表格

说明:本表一式 份,由承包人填写,作为CB33的附表,一同流转、审批结算时用。

CB30 工程计量报验单

(**[2016]计报01号)

合同名称:***********点地表水灌溉项目第一标段合同编号:

工程拨付款表格

久久建筑网m.kkreddy.com提供大量:建筑图纸、施工方案、工程书籍、建筑论文、合同表格、标准规范、CAD图纸等内容。