渡槽箱形梁结构计算书(11.18)

 

一、槽身纵向内力计算及配筋计算

根据支承形式,跨宽比及跨高比的大小以及槽身横断面形式等的不同,槽身应力状态与计算方法也不同,对于梁式渡槽的槽身,跨宽比、跨高比一般都比较大,故可以按梁理论计算。槽身纵向按正常过水高程计算(本渡槽设计水位高程取60cm)。

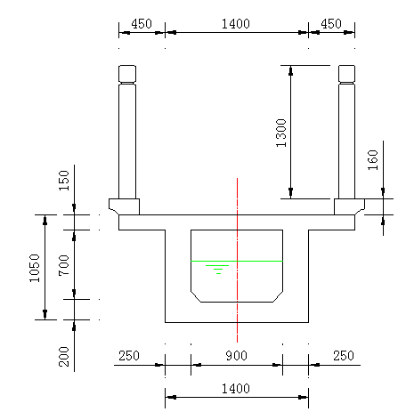
图1—1 槽身横断面型式(单位:mm)

1、荷载计算

根据设计拟定,渡槽的设计标准为5级,使用年限50年所以渡槽的安全级别Ⅲ级,则安全系数为γ0=0.9(DL-T 5057 -2009规范),C30混凝土重度为γ=25kN/m3(根据水

工混凝土结构设计规范DL-T 5057-2009:6.1.7条),正常运行期为持久状况,其设计状况系数为ψ=1.0,荷载分项系数为:永久荷载分项系数γG=1.05,可变荷载分项系数γ

Q=1.20(《水工建筑物荷载设计规范》(DL 5057 -1997规范)),结构系数为γd=1.2(DL-T

5057 -2009规范)。

纵向计算中的荷载一般按匀布荷载考虑,包括槽身重力(栏杆等小量集中荷载也换算为匀布的)、槽中水体的重力及人群荷载。其中槽身自重、水重为永久荷载,而人群荷载为可变荷载。

(1)槽身自重:

标准值:G1k=γ0ψγ(V1+2V2+V3)=0.9×1×25×(0.15×

2.3+0.7×0.25×2+1.4×0.2)=21.94(kN/m)

设计值:G1=γG×g1k=1.05×21.94=23.04(kN/m)

渡槽箱形梁结构计算书(11.18)

- 1 -

渡槽箱形梁结构计算书(11.18).doc下载

久久建筑网m.kkreddy.com提供大量:建筑图纸、施工方案、工程书籍、建筑论文、合同表格、标准规范、CAD图纸等内容。


TOP最近更新内容

    德隆的资本运作与行业整合 刑法的二十个钻石考点 【阮齐林】 南京理工大学考研计算机复试上机题目 山东省威海市2011届高三模拟考试(数学文) 宋鸿兵语录 PS技术 在学校里 学三年 也学不到这么多x 建筑装饰装修工程施工质量验收规范(GB5021 ANSYS工程结构数值分析命令查询表 2013 3月二级c无纸化题库 郭硕鸿 电动力学 系统防雷方案 梁凯恩 ——《福布斯导师商学院》精华 语言学概论笔记 富士康科技公司基础IE培训--现场改善.ppt DLT 1080.4-2010 电力企业应用集成 配电管